BiosLEDs
To make your miniature railway more realistic you need some moving
actions in the background beside the trains. This can be done with a
rotating windmill, or real moving cars. You can also create action
with light e.g.: traffic lights, a welding simulating light,
flashlights on a police car or ... with a running light above a movie
theater.

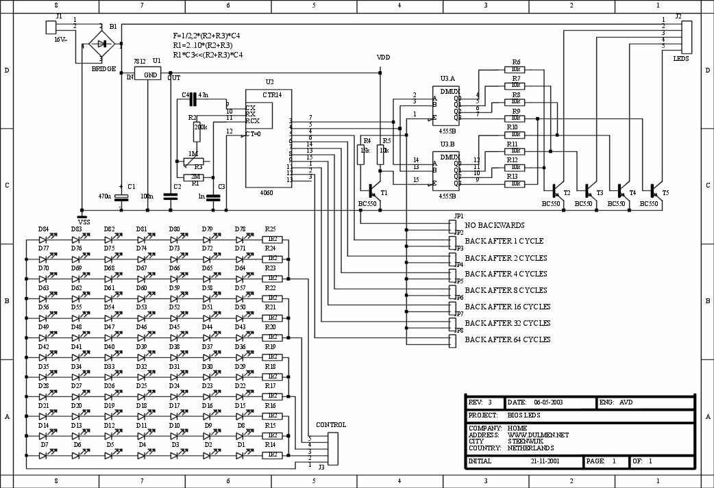
This project is about the last example. I made this project for the
Pola "old town cinema" nr. 167 (H0 size). It has a billboard of
82x36 mm above the
front doors. In order to make this project a bit realistic I had to
use 1.8 mm leds (3 mm is just to big). After some calculating I came
to the conclusion that I needed 84 leds. I needed an amount that
could be divided by 4 because the schematic that I had in mind
controls 4 channels.
Here are some features of
the project:
- A 4 channel running light
- Running speed adjustable
- Runs forwards and backwards (preset with jumper)
- Number of cycles before running backwards adjustable
(preset with jumper)
- Maximum current per channel 100mA (open collector, no short
circuit protection)
- Suitable for AC and DC systems (± 16 V)
If this is something for you I have to give one warning: putting 84
leds on a very small pcb and connecting them with thin copper wires is
a hell of a job !
|